온주 Joepai 밸브 유한 회사
온주 Joepai 밸브 유한 회사
제품

제품

연성 철 소방 신호 버터 플라이 밸브
  • 연성 철 소방 신호 버터 플라이 밸브연성 철 소방 신호 버터 플라이 밸브
  • 연성 철 소방 신호 버터 플라이 밸브연성 철 소방 신호 버터 플라이 밸브

연성 철 소방 신호 버터 플라이 밸브

Joepai가 제공한 연성철 소방 신호 버터플라이 밸브는 부식 방지 에폭시 코팅이 적용된 견고한 연성철 구조를 특징으로 하며 상업용 및 산업용 화재 예방 시스템에서 탁월한 성능을 제공합니다. 이러한 소방용 버터플라이 밸브는 실시간 밸브 위치 상태를 화재 제어반에 전송하는 고급 전기 신호 장치를 통합하여 즉각적인 시스템 모니터링 기능을 보장합니다. 연성철 밸브는 유럽과 아시아 시장의 병원 단지, 데이터 센터, 고층 건물 프로젝트에 성공적으로 구현되었습니다.

JOEPAI 연성 철 소방 신호 버터플라이 밸브는 포괄적인 소방 시스템을 위한 현대적인 모니터링 기능과 전통적인 유량 제어 기술의 통합을 나타냅니다. 이 소방 신호 버터플라이 밸브는 내식성이 뛰어난 견고한 연성 철 구조를 특징으로 하여 다양한 환경 조건에서 까다로운 응용 분야에 적합한 신호 버터플라이 밸브를 만듭니다. 연성 철 밸브에는 중앙 화재 제어 패널에 실시간 밸브 위치 상태를 제공하는 고급 전기 신호 장치가 통합되어 즉각적인 시스템 모니터링 및 검증이 보장됩니다. 소형 프로파일과 경량 구조로 설계된 소방용 버터플라이 밸브는 뛰어난 내구성과 긴 사용 수명을 유지하면서 간단한 설치를 용이하게 합니다. 이러한 시그널 버터플라이 밸브의 혁신적인 설계는 안정적인 성능과 지능형 모니터링 기능을 결합하여 현대 화재 방지 요구 사항에 맞는 최적의 솔루션을 만듭니다.

특징

1. 크기가 작고 무게가 가벼워 설치 및 유지관리가 용이합니다. 또한 필요할 때마다 설치할 수 있습니다.

2. 간단하고 컴팩트한 구조, 빠른 90도 온-오프 작동;

3. 최소화된 작동 토크, 에너지 절약;

4. 우수한 규제 성능과 긴 서비스 수명;

5. 다양한 매체에 사용할 수 있습니다.

6. 다양한 부식성, 비부식성 가스, 액체, 반유체 및 고체 분말 라인 및 용기의 조절 및 차단 장치로 사용할 수 있습니다.

7. 석유, 화학 산업, 식품, 의약품, 제지, 물 공급 등과 같은 시스템에 적합합니다.

8. 직선 경향의 흐름 곡선, 뛰어난 조절 성능.

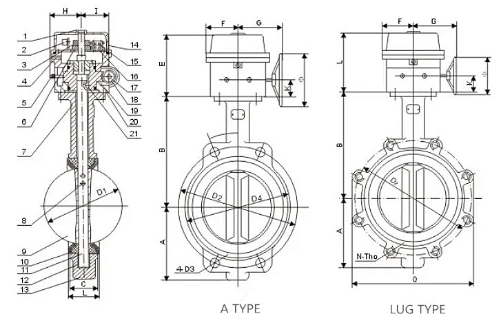
주요 기술 데이터

크기: DN50-DN300(2"-12")

공칭 압력: PN1.0-1.6MPa

작동 온도: 15-150°C

매체: 담수, 하수, 해수, 공기, 증기, 음식, 미트볼 등

마이크로스위치 용량: AC, 220V, 1A; DC, 30V, 0.5A

사용 가능한 재질 : 연성 철, 주철, 스테인레스 스틸, 탄소강, Aliminum Bronze

Ductile Iron Fire Fighting Signal Butterfly Valve

Ductile Iron Fire Fighting Signal Butterfly Valve

Ductile Iron Fire Fighting Signal Butterfly Valve

압력과 온도

작업 압력

PN10, PN16

테스트 압력

쉘: 정격 압력의 1.5배

시트: 정격 압력의 1.1배

작동 온도

-10°C ~ 80°C(NBR)

-10°C~120°C(EPDM)

적합한 매체

물, 석유 및 가스

주요 재료 목록

부분품

재료

주철, 연성이 있는 철,

좌석

EPDM, NBR, VITON, PTFE

디스크

니켈 연성 철, AI 청동, 스테인레스 스틸

줄기

탄소강, 스테인레스 스틸

부싱

PTFE

"O" 링

PTFE

스테인레스 스틸

열쇠

스테인레스 스틸

 행정상 기준:

디자인 표준

EN 593, MSS SP67 API 609 BS5155

검사 및 테스트

API 598 ISO 5208 EN 12266

최종 표준

ANSI B16.1 CL. 125LB 및 B16.5 CL. 150LB

AS 2129 표 D & E   BS 10 표 D & E

DIN 2501 PN6, PN10 및 PN16

EN 1092 PN6, PN10 및 PN16

ISO 2531 PN6, PN10 및 PN16

ISO 7005 PN6, PN10 및 PN16

KS B 1511 / JIS B 2210 5K 및 10K

MSS SP44 CL. 150LB  AWWAC207

SABS 1123 표 1000/3 및 표 1600/3

대면

ISO 5752, EN 558, MSS SP67 및 API 609 DIN3202

상단 플랜지

ISO 5211

Ductile Iron Fire Fighting Signal Butterfly Valve


핫 태그: 연성 철 소방 신호 버터 플라이 밸브
문의 보내기
연락처 정보
볼 밸브, 게이트 밸브, 글로브 밸브 또는 가격 목록에 대한 문의 사항은 이메일을 저희에게 맡기면 24 시간 이내에 연락을 드리겠습니다.
X
We use cookies to offer you a better browsing experience, analyze site traffic and personalize content. By using this site, you agree to our use of cookies. Privacy Policy
Reject Accept