온주 Joepai 밸브 유한 회사
온주 Joepai 밸브 유한 회사
소식

소식

비용 효율적인 3피스 단조 강철 고압 볼 밸브가 좋은 선택인 이유는 무엇입니까?

3피스 단조강 고압 볼 밸브란 무엇입니까?

A 3피스 단조 강철 고압 볼 밸브볼트로 연결된 3피스 몸체 구조의 고강도 볼 밸브를 말합니다. 폐쇄 요소는 정밀하게 가공된 볼로, 밸브 스템에 의해 밸브 본체의 중심선을 중심으로 회전하여 매체의 신속한 차단, 분배 또는 흐름 전환을 달성합니다.


제품 설명

3피스 단조 강철 볼 밸브는 작동이 쉽고, 소형이며, 안정적으로 밀봉되어 있으며, 구조가 간단하고 유지 관리가 쉽습니다. 씰링 표면과 볼은 항상 닫힌 상태이므로 매체에 의한 침식을 덜 받습니다. 그들은 다양한 산업 분야에서 널리 사용됩니다.

밸브 본체는 단조 공정을 사용하여 형성되며 재질은 스테인레스강(예: F304, F316) 또는 탄소강(예: A105)일 수 있습니다. 단조강 소재는 치밀한 구조, 우수한 기계적 성질, 강한 충격 저항 등의 특성을 갖고 있어 고압, 고강도 작업 조건에 특히 적합합니다.

파이프라인 시스템의 필요에 따라 나사 연결(NPT,BSP-P(G),BSPT(Rc)), 맞대기 용접(BW), 소켓 용접(SW) 또는 플랜지 연결과 같은 다양한 연결 방법을 선택할 수 있어 유연한 설치와 강력한 적응성을 제공합니다.

설계 압력은 최대 1500LB에 달할 수 있어 석유, 화학 산업, 천연 가스 등 분야의 고압 운송 시스템에 적합합니다.


3피스 단조강 볼 밸브 표준:

1) 설계 및 제조 표준: BS5351, MSS SP-118

2) 연결 끝 치수: ANSI B16.10, JB/T1715

소켓 용접 끝단 치수: ANSI B16.11, JB/T1715

나사형 끝단 치수: ANSI B1.12.1, JB/T7306

맞대기 용접 끝단 치수: ANSI B16.25, JB/T12224

3) 테스트 및 검사: API 598

4) 재료 표준: ANSI/ASTM


3-Piece Forged Steel High-pressure Ball Valve


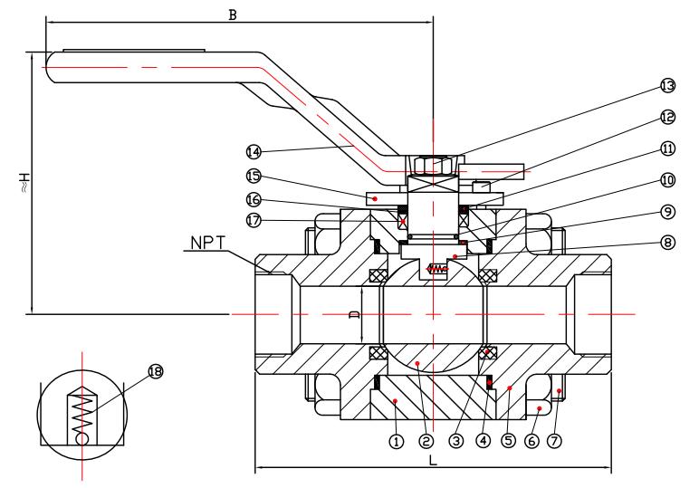
주요 재료 테이블:

아니요. 부품명 탄소강 스테인레스 스틸
1 A105 F304 F304L F316 F316L
2 SS304 F304 SS304L SS316 SS316L
3 좌석 PTFE, RPTFE
4 틈 메우는 물건 SS304/SS316 + 흑연
5 A105 F304 F304L F316 F316L
6 너트 A194-2H A194-8 A194-8M
7 볼트 A193-B7 A193-B8 A193-B8M
8 줄기 SS304 F304 SS304L SS316 SS316L
9 스러스트 와셔 PTFE, RPTFE
10 O-링 비톤
11 SS304 SS304 SS304 SS316 SS316
12 볼트 1035
13 너트 스테인레스 스틸
14 핸들 WCB, 스테인레스 스틸
15 한정판 1025
16 화재 링 방지 SS304、SS316
17 포장 석묵
18 SS304、SS316


주요 차원 테이블:

DN mm NPS(인치) Lmm Dmm
15 1/2” 92 13 66
20 3/4” 112 19 72
25 1” 126 24 100
32 11/4” 129 30 105
40 11/2” 152 38 112
50 2” 176 49 122


3-Piece Forged Steel High-pressure Ball Valve3-Piece Forged Steel High-pressure Ball Valve3-Piece Forged Steel High-pressure Ball Valve3-Piece Forged Steel High-pressure Ball Valve



전문 제조 보증 – 온주조파이밸브유한회사

스테인레스 스틸 및 탄소강 볼 밸브를 연구, 개발, 제조하는 전문 기업으로,온주조파이밸브유한회사"중국의 밸브 도시"로 알려진 원저우 롱완구 빈하이 산업단지에 위치하고 있습니다. 이 회사는 현대적인 생산 기지와 포괄적인 품질 관리 시스템을 자랑합니다. 회사는 다음을 갖추고 있습니다:

전문 R&D 센터 및 CNC 가공 장비

고급 시험 장비(예: 컴퓨터 다원소 분석 장비, Leeb 경도 시험기, 두께 게이지)

압력 시험기, 수명주기 시험기 및 기타 전체 프로세스 시험 플랫폼

엄격한 프로세스와 지속적인 혁신을 바탕으로 Joepai Valve는 모든 3PC 단조 강철 고압 볼 밸브가 높은 표준 성능 요구 사항을 충족하도록 보장하여 고객에게 안전하고 신뢰할 수 있으며내구성이 뛰어난 밸브 솔루션.


관련 뉴스
나에게 메시지를 남겨주세요
X
당사는 귀하에게 더 나은 탐색 경험을 제공하고, 사이트 트래픽을 분석하고, 콘텐츠를 개인화하기 위해 쿠키를 사용합니다. 이 사이트를 이용함으로써 귀하는 당사의 쿠키 사용에 동의하게 됩니다. 개인 정보 보호 정책
거부하다 수용하다