온주 Joepai 밸브 유한 회사
온주 Joepai 밸브 유한 회사
3 방향 볼 밸브
ISO 5211 직접 장착 패드가 있는 나사식 3방향 볼 밸브
  • ISO 5211 직접 장착 패드가 있는 나사식 3방향 볼 밸브ISO 5211 직접 장착 패드가 있는 나사식 3방향 볼 밸브
  • ISO 5211 직접 장착 패드가 있는 나사식 3방향 볼 밸브ISO 5211 직접 장착 패드가 있는 나사식 3방향 볼 밸브
  • ISO 5211 직접 장착 패드가 있는 나사식 3방향 볼 밸브ISO 5211 직접 장착 패드가 있는 나사식 3방향 볼 밸브

ISO 5211 직접 장착 패드가 있는 나사식 3방향 볼 밸브

중국산 ISO 5211 직접 장착 패드가 있는 JOEPAI 스레드형 3방향 볼 밸브에는 L자형 채널과 T자형 채널로 나눌 수 있는 내부 흐름 채널이 있습니다. 내부 밸브는 PTFE 씰과 금속 하드 씰로 구분되며 수동 스위치 또는 웜기어 스위치를 장착할 수 있습니다. 위의 연결 플랫폼은 ISO 5211 표준을 준수하며 스위치 또는 조정의 원격 지능형 제어를 위해 전기 또는 공압 액추에이터와 직접 일치할 수 있습니다.

JOEPAI 밸브는 중국 최고의 산업용 밸브 제조업체 중 하나입니다. ISO 5211 직접 장착 패드 및 레버가 포함된 스테인레스 스틸 스레드 3방향 볼 밸브의 연구 및 수출에 중점을 두고 있습니다. 제품은 다음 사항에 따라 엄격하게 제조됩니다. 국제 표준이며 유럽, 미국 및 기타 국가에서 널리 사용됩니다. 동남아시아 시장. 우리는 또한 OEM/ODM 맞춤형 서비스도 제공합니다.

스테인레스 스틸 스레드 3방향 볼 밸브는 고품질로 제작되었습니다. L자형 및 T자형 채널을 제공하는 CF8/CF8M 스테인리스강 주조 구성, 다중 방향 전환, 전환과 같은 지원 기능, 다양한 복잡한 프로세스 흐름 제어에 병합 및 적응 요구 사항. 제품은 조밀한 구조 및 빠른 오프닝을 가지고 있습니다 폐쇄하고 산업 자동화 파이프라인 시스템에 널리 사용됩니다. 식품, 화학, 의약품, 수처리 등으로 사용됩니다.

제품 세부정보:

정밀 인베스트먼트 주조 본체: 높은 구조적 완전성, 매끄러운 표면 마감, 뛰어난 부식 및 마모 저항성을 보장합니다.
고압 성능: 1000 PSI W.O.G. 등급 (물, 석유, 가스) 다양한 유체 및 가스 응용 분야에서 안정적인 작동을 제공합니다.
조정 가능한 스템 패킹: 간편한 압축 조정을 통해 씰 무결성을 유지하고 장기간 사용 시 누출을 방지할 수 있습니다.
순수 테프론 씰 및 시트: 까다로운 서비스에서 우수한 내화학성, 낮은 마찰 및 완벽한 차단 기능을 제공합니다.
ISO 5211 액추에이터 장착 패드: 작동 작동으로 손쉽게 전환할 수 있도록 자동화된 액추에이터를 빠르고 직접적으로 부착할 수 있습니다.
분출 방지 스템, 고객 요청에 따른 솔리드 볼
옵션 잠금 핸들:위험하거나 중요한 애플리케이션에 대한 추가 보안 및 제어 기능을 제공합니다.

Threaded 3-Way Ball Valve with ISO 5211 Direct Mounting Pad

Threaded 3-Way Ball Valve with ISO 5211 Direct Mounting Pad


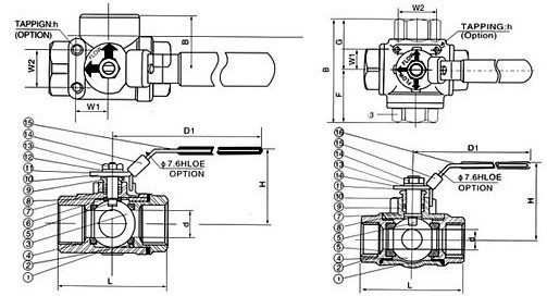
주요 부품 재질:

아니요. 부품명 재료
1 CF8M/CF8
2 CF8M/CF8
3 CF8M/CF8
4 틈 메우는 물건 PTFE
5 줄기 CF8M/CF8
6 포장 PTFE
7 스템 씰 PTFE
8 플레이크 PTFE
9 글랜드 너트 CF8M/CF8
10 핸들버 CF8M/CF8
11 흐름 방향 표시 알류미늄
12 틈 메우는 물건 CF8
13 너트 CF8
14 잠금장치 CF8
15 플라스틱 커버 고무
16 블라인드 커버
CF8M/CF8

주요 치수

크기 d L H D1 B W1 W2
1/2″ 12.7 64 53 97 32.0 22.4 35.0
3/4″ 16.0 76 63 126 38.0 22.4 35.0
1″ 20.0 87 66 126 43.5 22.4 35.0
11/4″ 25.0 96 81 145 48.0 22.4 35.0
11/2″ 32.0 114 83 145 57.0 25.4 38.1
2″ 38.1 142 96 204 71.0 25.4 38.1


Threaded 3-Way Ball Valve with ISO 5211 Direct Mounting PadThreaded 3-Way Ball Valve with ISO 5211 Direct Mounting Pad

핫 태그: ISO 5211 직접 장착 패드가 있는 나사식 3방향 볼 밸브
문의 보내기
연락처 정보
볼 밸브, 게이트 밸브, 글로브 밸브 또는 가격 목록에 대한 문의 사항은 이메일을 저희에게 맡기면 24 시간 이내에 연락을 드리겠습니다.
X
We use cookies to offer you a better browsing experience, analyze site traffic and personalize content. By using this site, you agree to our use of cookies. Privacy Policy
Reject Accept